Retour à l'accueil
 
 
Recherche de schémas
Collection CD/DVD

Service schémathèque 

2 documents correspondent à votre recherche.

Caractéristiques de l'appareil
Marque :
Gnomo
Modèle :
R2
Type appareil :
récepteur à tubes
2 documents correspondant à cet appareil
Suppl. Gnomo R2
1 page
Document présent dans Rétro-docs 3 Acheter
En ligne, disponible en téléchargement Télécharger
no photo
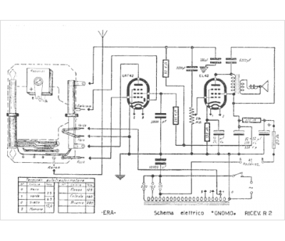
Schéma Gnomo R2
1 page
Doc complémentaire s. demande Demander
La consultation de cet espace schémathèque est en accès libre.