
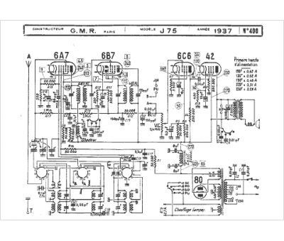
Marque :
GMR
Modèle :
J75
Type appareil :
récepteur à tubes
Année :
1937
Pays d'origine :
France
