
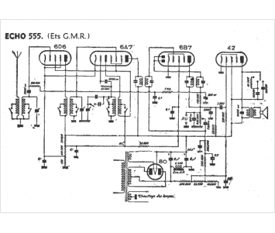
Marque :
GMR
Modèle :
Echo 555
Type appareil :
récepteur à tubes
Année :
1935
Pays d'origine :
France
