
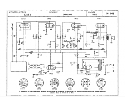
Marque :
GMR
Modèle :
Domino
Type appareil :
récepteur à tubes
Année :
1955
Pays d'origine :
France
