
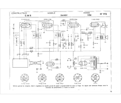
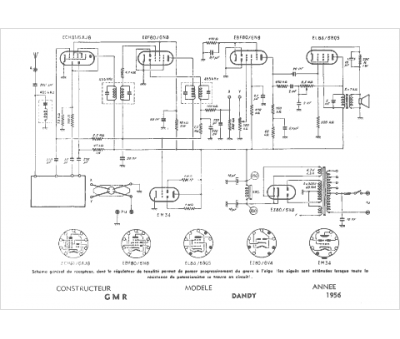
Marque :
GMR
Modèle :
Dandy
Type appareil :
récepteur à tubes
Année :
1956
Pays d'origine :
France
