
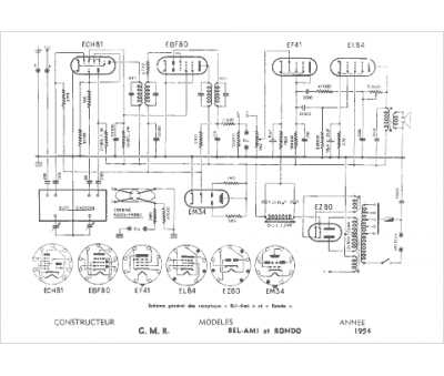
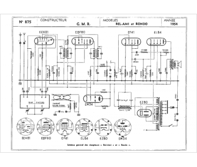
Marque :
GMR
Modèle :
Bel-ami
Type appareil :
récepteur à tubes
Année :
1954
Pays d'origine :
France
