
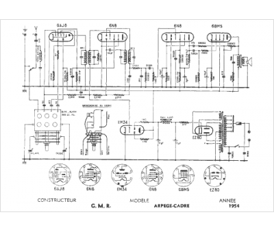
Marque :
GMR
Modèle :
Arpége cadre
Type appareil :
récepteur à tubes
Année :
1954
Pays d'origine :
France
