
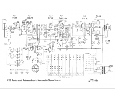
Marque :
Glewe
Modèle :
Fidelio
Type appareil :
récepteur à tubes
Pays d'origine :
Allemagne
