
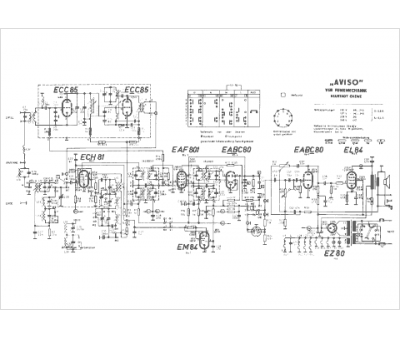
Marque :
Glewe
Modèle :
Aviso
Type appareil :
récepteur à tubes
Pays d'origine :
Allemagne
