
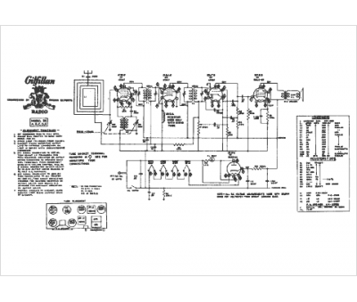
Marque :
Gilfillan
Modèle :
56E
Type appareil :
récepteur à tubes
Année :
1948
Pays d'origine :
États-Unis
