
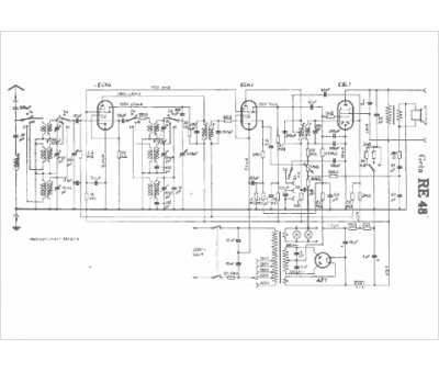
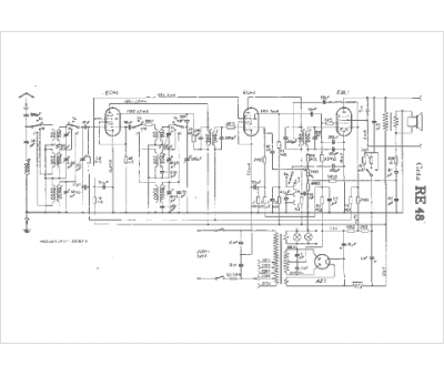
Marque :
Geta
Modèle :
RE 48
Type appareil :
récepteur à tubes
Pays d'origine :
Allemagne
