
Marque :
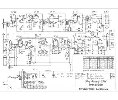
Gerufon
Modèle :
UltraRecord 55 W
Type appareil :
récepteur à tubes
Pays d'origine :
Allemagne
