
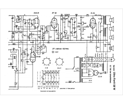
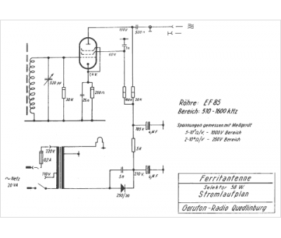
Marque :
Gerufon
Modèle :
Ultra-Ferrit 58 W
Type appareil :
récepteur à tubes
Pays d'origine :
Allemagne
