
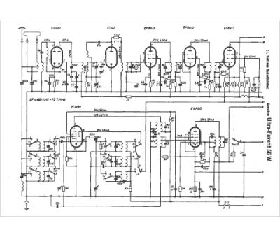
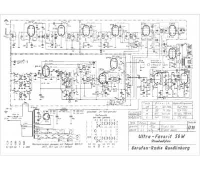
Marque :
Gerufon
Modèle :
Ultra-Favorit
Type appareil :
récepteur à tubes
Pays d'origine :
Allemagne
