
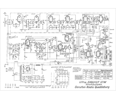
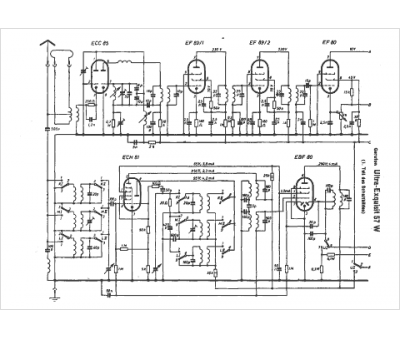
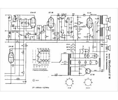
Marque :
Gerufon
Modèle :
Ultra-Exquisit
Type appareil :
récepteur à tubes
Pays d'origine :
Allemagne
