
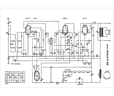
Marque :
Gerufon
Modèle :
Harzland 54 GW
Type appareil :
récepteur à tubes
Pays d'origine :
Allemagne
