
Marque :
Gerufon
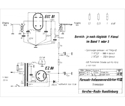
Modèle :
Antennenv. VS III
Type appareil :
récepteur à tubes
Pays d'origine :
Allemagne
