
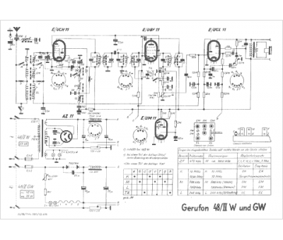
Marque :
Gerufon
Modèle :
48 II W
Type appareil :
récepteur à tubes
Pays d'origine :
Allemagne
