
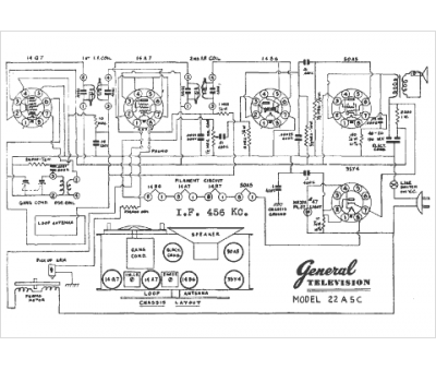
Marque :
General Television
Modèle :
22A5C
Type appareil :
récepteur à tubes
Année :
1947
Pays d'origine :
États-Unis
