
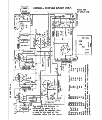
Marque :
General Motors
Modèle :
220
Type appareil :
récepteur à tubes
Année :
1932
Pays d'origine :
États-Unis
