
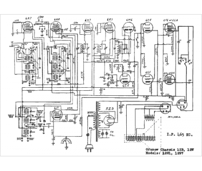
Marque :
General Househome
Modèle :
1297
Type appareil :
récepteur à tubes
Année :
1938
Pays d'origine :
États-Unis
