
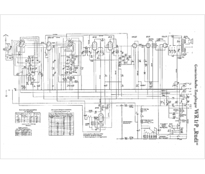
Marque :
Gemeinschafts-Empfänger
Modèle :
WR1-P Rudi
Type appareil :
récepteur à tubes
Pays d'origine :
Allemagne
