
Marque :
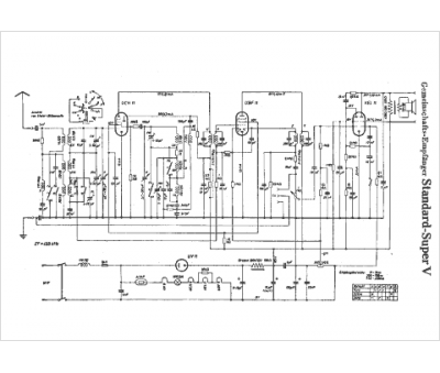
Gemeinschafts-Empfänger
Modèle :
Standard Super V
Type appareil :
récepteur à tubes
Pays d'origine :
Allemagne
