
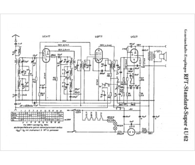
Marque :
Gemeinschafts-Empfänger
Modèle :
Standard Super 4U62
Type appareil :
récepteur à tubes
Pays d'origine :
Allemagne
