
Marque :
Gemeinschafts-Empfänger
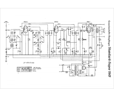
Modèle :
Standard Super 1947
Type appareil :
récepteur à tubes
Pays d'origine :
Allemagne
