
Marque :
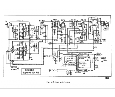
Geloso
Modèle :
Super G 504 RE
Type appareil :
récepteur à tubes
Pays d'origine :
Italie
