
Marque :
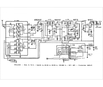
Geloso
Modèle :
G 75 R
Type appareil :
récepteur à tubes
Pays d'origine :
Italie
