
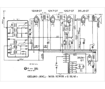
Marque :
Geloso
Modèle :
G 52-45
Type appareil :
récepteur à tubes
Pays d'origine :
Italie
