
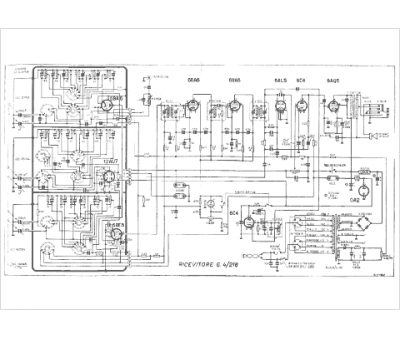
Marque :
Geloso
Modèle :
G 4-218
Type appareil :
récepteur à tubes
Pays d'origine :
Italie
