
Marque :
Geloso
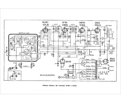
Modèle :
G 332
Type appareil :
récepteur à tubes
Pays d'origine :
Italie
