
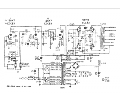
Marque :
Geloso
Modèle :
G 203 HF
Type appareil :
récepteur à tubes
Pays d'origine :
Italie
