
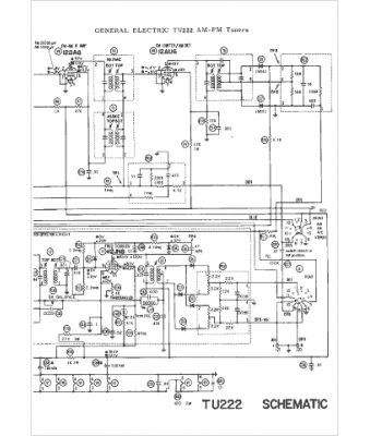
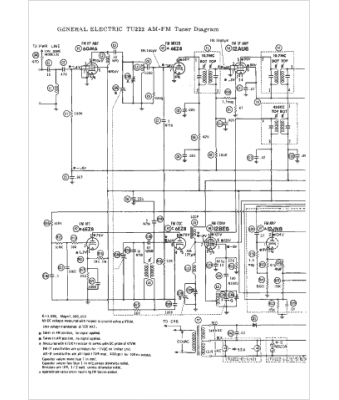
Marque :
GEC
Modèle :
TU222
Type appareil :
récepteur à tubes
Année :
1965
Pays d'origine :
Grande-Bretagne, États-Unis
