
Marque :
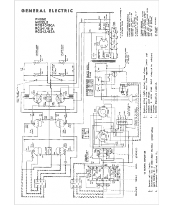
GEC
Modèle :
RC1242
Type appareil :
récepteur à tubes
Pays d'origine :
Grande-Bretagne, États-Unis
