
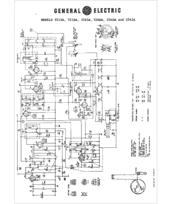
Marque :
GEC
Modèle :
C541A
Type appareil :
récepteur à tubes
Année :
1964
Pays d'origine :
Grande-Bretagne, États-Unis
