
Marque :
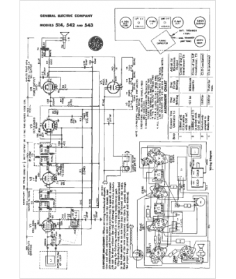
GEC
Modèle :
514
Type appareil :
récepteur à tubes
Année :
1953
Pays d'origine :
Grande-Bretagne, États-Unis
