
Marque :
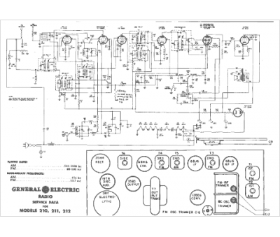
GEC
Modèle :
211
Type appareil :
récepteur à tubes
Année :
1949
Pays d'origine :
Grande-Bretagne, États-Unis
