
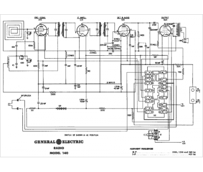
Marque :
GEC
Modèle :
140
Type appareil :
récepteur à tubes
Année :
1948
Pays d'origine :
Grande-Bretagne, États-Unis
