
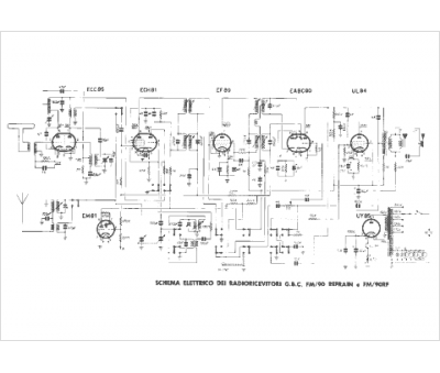
Marque :
GBC
Modèle :
FM 90 Refrain
Type appareil :
récepteur à tubes
Pays d'origine :
Italie
