
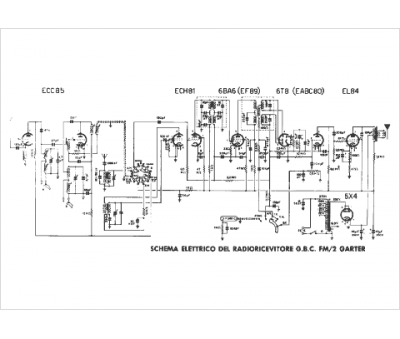
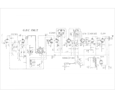
Marque :
GBC
Modèle :
FM 2 Garter
Type appareil :
récepteur à tubes
Pays d'origine :
Italie
