
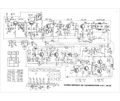
Marque :
GBC
Modèle :
AR 50
Type appareil :
récepteur à tubes
Pays d'origine :
Italie
