
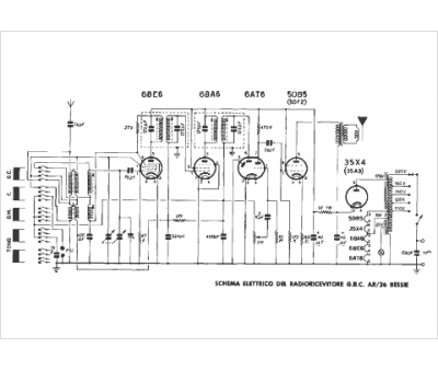
Marque :
GBC
Modèle :
AR 26 Bessie
Type appareil :
récepteur à tubes
Pays d'origine :
Italie
