
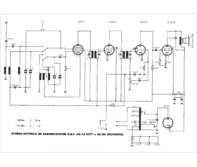
Marque :
GBC
Modèle :
AR 1A Kitty
Type appareil :
récepteur à tubes
Pays d'origine :
Italie
