
Marque :
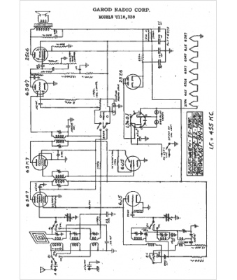
Garod
Modèle :
C118
Type appareil :
récepteur à tubes
Année :
1942
Pays d'origine :
Italie, États-Unis
