
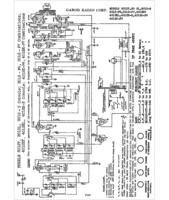
Marque :
Garod
Modèle :
4012E-3
Type appareil :
récepteur à tubes
Année :
1938
Pays d'origine :
Italie, États-Unis
