
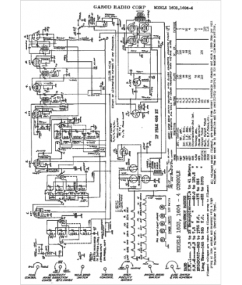
Marque :
Garod
Modèle :
1603
Type appareil :
récepteur à tubes
Année :
1938
Pays d'origine :
Italie, États-Unis
