
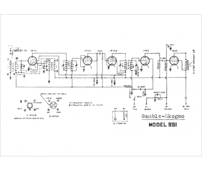
Marque :
Gamble-Skogmo
Modèle :
951
Type appareil :
récepteur à tubes
Année :
1940
Pays d'origine :
États-Unis
