
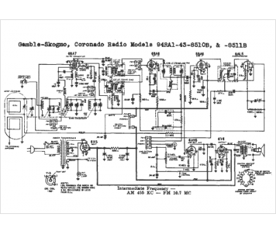
Marque :
Gamble-Skogmo
Modèle :
94RA1-43-5810B
Type appareil :
récepteur à tubes
Année :
1950
Pays d'origine :
États-Unis
