
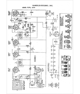
Marque :
Gamble-Skogmo
Modèle :
3128
Type appareil :
récepteur à tubes
Année :
1942
Pays d'origine :
États-Unis
