
Marque :
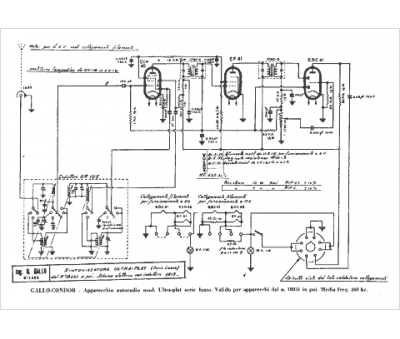
Gallo Condor
Modèle :
Ultra Plat lusso
Type appareil :
récepteur à tubes
Pays d'origine :
Italie
