
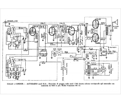
Marque :
Gallo Condor
Modèle :
S 5 A
Type appareil :
récepteur à tubes
Pays d'origine :
Italie
